Explosion-proof electronic digital temperature sensor TM800S
Principle structure
TM800S uses a ceramic thick film sensor for temperature measurement, and the signal is converted into a standard industrial electrical signal after processing by a post-processing circuit. The explosion-proof housing design, with high-light LED digital display, makes this series of products can be used in a variety of industrial applications. The three-button design and menu make the product more convenient to use, and a variety of connection methods can fully meet various specific installation needs.
Technical parameters
- Measuring range: - 50... 200 °C
- Supply voltage: 12... 30VDC
- No-load current consumption: ≤30mA, 24VDC
- Switch output:
Output type: Push-pull (compatible with both PNP and NPN), Normally open and normally closed can be set - S1,S2 Output current: < 500mA
- Response time: < 10ms
- Voltage drop: < 1V
- Current type analog output
Output type: Three wire 0... 20mA/4... 20mA can be configured - Load RA: RA 0.5 Kohm or less
- Linearity: ≤±0.5% range
- Voltage type analog output:
Output type: Three wire 0... 20mA/4... 20mA can be configured - Shell materials: Stainless steel
- Load RA: ≤±0.5% range
- Voltage type analog output
Output type: Three wire 0... 20mA/4... 20mA can be configured - Load RA: RA > 10Kohm
- Linearity: ≤±0.5% range
- Wiring protection: Reverse phase, overload, short circuit protection
- Display
Design: Red 4-bit 8mm high brightness LED - Display range: - 999... 9999
- Accuracy: ≤±0.5% range
- Stability (annual drift) : ≤±0.3% range
- Temperature :
Medium temperature:- 50... 125 °C
Ambient temperature: - 20... 80 °C
Storage temperature: - 30... 80 °C - Probe pressure: 200bar
- Materials:
Watch head housing: Engineering plastics
Housing: Cast aluminium
Medium contact part: Stainless steel 316L/ ceramic - Explosion-proof rating: Ex d II C T6 Gb
- Appearance mode: The M12*1 connector is directly wired
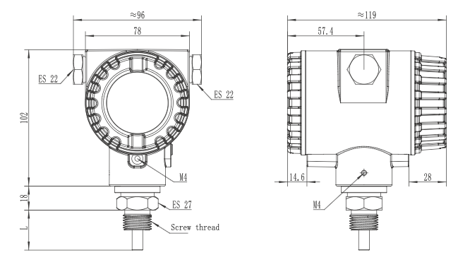
Size Chart (mm)
Wiring diagram
Two switches
Two switches + one analog
| TM800S- | C2080 | S2 | G14M | G | 025 | / | P | - | Detailed |
|---|---|---|---|---|---|---|---|---|---|
| TM800S- | TM800S Explosion-proof electronic digital temperature sensor | ||||||||
| C2080 | Range -20...80℃ (User can specify range) | ||||||||
| C0100 | Range 0...100℃ (User can specify range) | ||||||||
| C50200 | Range -50...200℃ high and low temperature type (user can specify range) | ||||||||
| C50400 | Range -50...400℃ high and low temperature type (user can specify range) | ||||||||
| C100100 | Range -100...100℃ high and low temperature type (user can specify range) | ||||||||
| C200100 | Range -200...100℃ high and low temperature type (user can specify range) | ||||||||
| S2 | Two switch output | ||||||||
| A3 | Two switch outputs + analog output (0...20/4...20mA) | ||||||||
| V5 | Two switch outputs + analog output (0...5/1...5V) | ||||||||
| V10 | Two switch outputs + analog output (0...10/1...10V) | ||||||||
| G12M | Installation: G1/2 External thread | ||||||||
| G14M | Installation: G1/4 External thread | ||||||||
| N14M | Installation: NPT1/4 External thread | ||||||||
| N34M | Installation: NPT3/4 External thread | ||||||||
| R14M | Installation: R1/4 External thread | ||||||||
| M27M | Installation: M27×1.5 External thread | ||||||||
| K50 | The sanitary chuck is connected with the outer diameter of 50.5mm | ||||||||
| G | Electrical interface: Electric gran head | ||||||||
| M20K | Electrical interface: M20×1.5 internal thread | ||||||||
| M27K | Electrical interface: M27×1.5 internal thread | ||||||||
| 025 | Probe rod length L=mm (example: 025 represents probe rod length 25mm) | ||||||||
| D6 | Sheath material of diameter 6mm | ||||||||
| D8 | Sheath material of diameter 8mm | ||||||||
| P | PNP output | ||||||||
| N | NPN output | ||||||||
| - | No explosion-proof | ||||||||
| -E | Explosion-proof grade (IICT6) |
* Special requirements can be customized.